РДУ-М

Доступен для скачивания
краткий каталог продукции:

РДУ-М
Цена:  15210 ... 17550 руб.
Ротационные (флажковые) датчики уровня серии РДУ-М предназначены для контроля предельного уровня сыпучих материалов. Основной функцией ротационных датчиков уровня является формирование дискретного управляющего сигнала при достижении контролируемым материалом необходимого уровня.
Особенности:
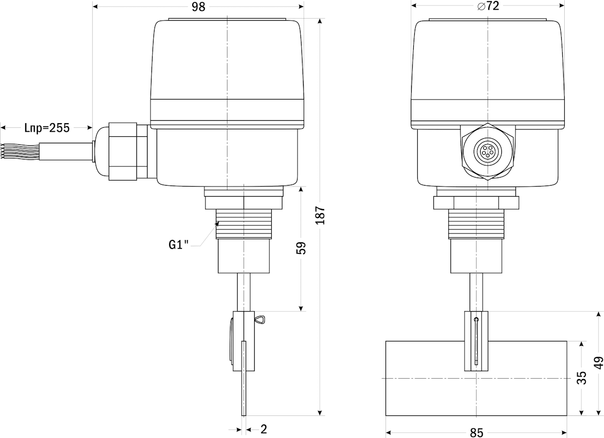
  • РДУ-М более компактен по сравнению с РДУ, меньший установочный размер 3/4" вместо 1"
  • Регулировка чувствительности датчика при помощи изменения жесткости пружины, прижимающей эксцентриковую систему «электродвигатель-редуктор»
  • Универсальное монтажное положение
  • Простой и быстрый монтаж
  • Прочная конструкция
  • Отсутствие необходимости в обслуживании
  • Для установки датчиков РДУ-М по месту эксплуатации используется бобышка БПА-G3/4-22
  • Для питания датчиков =24 В используются блоки питания, например, БП67, БП97, DR
Принцип действия и область применения: В корпусе датчика установлен электродвигатель с редуктором. Вал датчика соединяется с выходным валом редуктора при помощи муфты. Соединительная муфта защищает редуктор от механического повреждения при принудительном повороте вала под действием внешних усилий.
Электродвигатель с редуктором образуют эксцентриковую систему, которая зафиксирована пружиной растяжения. Если лопасть датчика не соприкасается с сыпучим материалом, крутящий момент передается от двигателя к редуктору, а от редуктора к валу с лопастью. Как только лопасть соприкасается с сыпучим материалом, вал датчика останавливается, а эксцентриковая система «электродвигатель-редуктор», преодолевая сопротивление пружины, отключает питание электродвигателя и переключает выходной контакт датчика.
Как только лопасть датчика освобождается от сыпучего материала, эксцентриковая система «электродвигатель-редуктор» под действием пружины растяжения возвращается в исходное положение, освобождая микропереключатели. При этом возобновляется подача напряжения питания на электродвигатель, а выходной контакт датчика переключается в исходное состояние. После этого вал датчика с лопастью вновь начинает вращаться.

Ротационные датчики уровня широко применяются в пищевой, химической, горнодобывающей и зерноперерабатывающей отраслях промышленности для контроля уровня следующих материалов:
  • сырья для производства изделий из ПВХ и ПЭТ (ПВХ-гранулята, ПЭТ-гранул);
  • различных строительных материалов (цемента, гипса, готовых сухих смесей, песка, щебня);
  • cыпучих пищевых продуктов (муки, сахара, крахмала);
  • cельскохозяйственной  продукции (зерновых  культур,  подсолнечника, комбикормов);
  • древесные сыпучие материалы (опилки, стружка, пеллетные гранулы).
Технические характеристики:
ПараметрЗначение
Питание
~220 В =24 В
Мощность электродвигателя
2 Вт 21 Вт
Крутящий момент электродвигателя
1 Н∙м
Скорость вращения электродвигателя
1 об./мин
ПрисоединениеРезьбовое G¾"
Тип управляющего контакта
1 переключающий
Коммутационная способность реле
~10 А, 220 В
Степень пылевлагозащиты
IP65
Температура рабочей среды−20...+80°С
Температура хранения
−20...+125°С
Материал корпуса прибораСилумин
Материал лопастей
Нержавеющая сталь
Присоединение лопасти
Шпилька
Длина кабеля255 мм
погрешность длины кабеля ±5%
Габаритные размеры (с лопастью)187×98×85 мм
Вес767 г

Габаритные размеры


Версия: 2025-09-15-СДГ
Документ Дата обновления
Паспорт на РДУ-М 16.09.2025