ДР-ПТ-36И
Доступен для скачивания
краткий каталог продукции:
Сигнализатор ДР-ПТ-36И предназначен для контроля наличия потока воздуха, воды или масел в трубопроводе, управления исполнительными устройствами, защиты оборудования от слабого или отсутствующего потока, а также длярегулирования уровня жидкости в резервуарах, в том числе находящихся под
избыточным давлением.
Прибор определяет величину потока жидкости по скорости остывания нагревательного элемента. Чувствительный элемент датчика включает в себя нагреватель со встроенным датчиком температуры и отдельный термодатчик для измерения температуры контролируемого вещества. При отсутствии потока в трубе нагреватель прибора поддерживает заданную температуру. Появление потока ведет к отдаче тепла нагревателя и снижению его температуры, что фиксируется встроенным в него датчиком температуры.
Сигнализаторы наиболее эффективны для контроля уровня теплоемких сред, прежде всего – водных растворов с наличием пены, где применение контактных сигнализаторов вызывает трудности. Также использование тепловых сигнализаторов предпочтительно на растворах со значительным изменением удельной электропроводности и на дистиллированной воде
избыточным давлением.
Прибор определяет величину потока жидкости по скорости остывания нагревательного элемента. Чувствительный элемент датчика включает в себя нагреватель со встроенным датчиком температуры и отдельный термодатчик для измерения температуры контролируемого вещества. При отсутствии потока в трубе нагреватель прибора поддерживает заданную температуру. Появление потока ведет к отдаче тепла нагревателя и снижению его температуры, что фиксируется встроенным в него датчиком температуры.
Сигнализаторы наиболее эффективны для контроля уровня теплоемких сред, прежде всего – водных растворов с наличием пены, где применение контактных сигнализаторов вызывает трудности. Также использование тепловых сигнализаторов предпочтительно на растворах со значительным изменением удельной электропроводности и на дистиллированной воде
Применение:
- Контроль появления и остановки потока в трубе
- Предотвращение «сухого хода» оборудования
- Контроль подачи рабочей жидкости в системе
- Контроль наличия хладагента в охлаждающих установках
- Контроль прохождения жидкости или газа в трубопроводе
- Автоматизация процессов управления системами подачи и откачки жидкости и т.д.
Особенности:
- Работа c высоким давлением до 10 МПа
- Аналоговый выходной сигнал передает данные в систему управления, показывает фактическую величину потока в трубопроводе. Значение потока, откалиброванное, как 0%, будет соответствовать сигналу 4 мА, при увеличении потока до величины, откалиброванной, как 100%, сигнал возрастает до 20 мА
- Может использоваться в качестве сигнализатора границы раздела двух фаз, отличающихся теплоемкостью, или для определения границы раздела «жидкость-пена»
- Подходит для труб различного диаметра
- Простой монтаж в любой точке трубы, горизонтально или вертикально
- Низкий перепад давления в месте установке датчика (не более 10 %)
- Защита от обратной полярности, короткого замыкания, перегрузки
- Большая надежность и ресурс работы, чем у механических реле потока, так как отсутствуют подвижные части: лопасти или крыльчатки, которые быстро выходят из строя.
Для установки датчиков по месту эксплуатации используются бобышки, например БП-А-G1/4-20, БП-А-G1/4-20-N2.
Для повышения точности и надежности работы датчика необходимо проводить фильтрацию жидкости, например с помощью фильтров механической очистки и периодически очищать измерительный элемент от загрязнений.
*Расшифровка маркировки взрывозащиты Ex d IIB T5 Gb:
- 0 (пусто) - специальное взрывобезопасное оборудование, включающее особые меры и средства защиты от взрыва.
- Ex – знак, указывающий на соответствие электрооборудования стандартам на взрывозащищенность.
- d – тип взрывозащиты: взрывонепроницаемая оболочка.
- IIB – категория взрывоопасной смеси: газы с энергией поджигания 60...180 мкДж (пропан, этилен и т.п.).
- Т5 – температурный класс: температура самовоспламенения газа +100...+135˚С, допускается применение для классов Т1-Т5.
- Gb – степень взрывозащиты: оборудование обеспечивает необходимый уровень взрывозащиты при нормальном режиме эксплуатации и ожидаемых или редких неисправностях
| Схемы монтажа
| ||
| Вертикальная установка | Горизонтальная установка | Установка в изогнутую трубу
|
![]() | ![]() | ![]() |
Направление потока при любом виде установки не имеет значения
Технические характеристики:
| Параметр | Значение |
| Рабочая среда
| Воздух, вода и другие неагрессивные жидкости
|
| Max давление рабочей среды
| 10 МПа
|
| Температура рабочей среды
| 0...+80°С
|
| Скорость потока
| 0,03...3 м/с (вода, масло)
2...30 м/с (воздух) |
| Погрешность
| ±0,01...0,1 м/с
|
| Выходной сигнал | 4...20 мА |
| Питание
| ~220 В |
| Взрывозащита | Ex d IIB T5 Gb |
| Потребляемый ток
| < 100 мА
|
| Время прогрева до начала работы
| 5 мин
|
| Периодичность обновления состояния выходного реле
| 1...10 с
|
| Max температурный градиент среды
| 15 К/мин
|
| Присоединение
| Наруж. G¼"
|
| Высота символов
| 7 мм
|
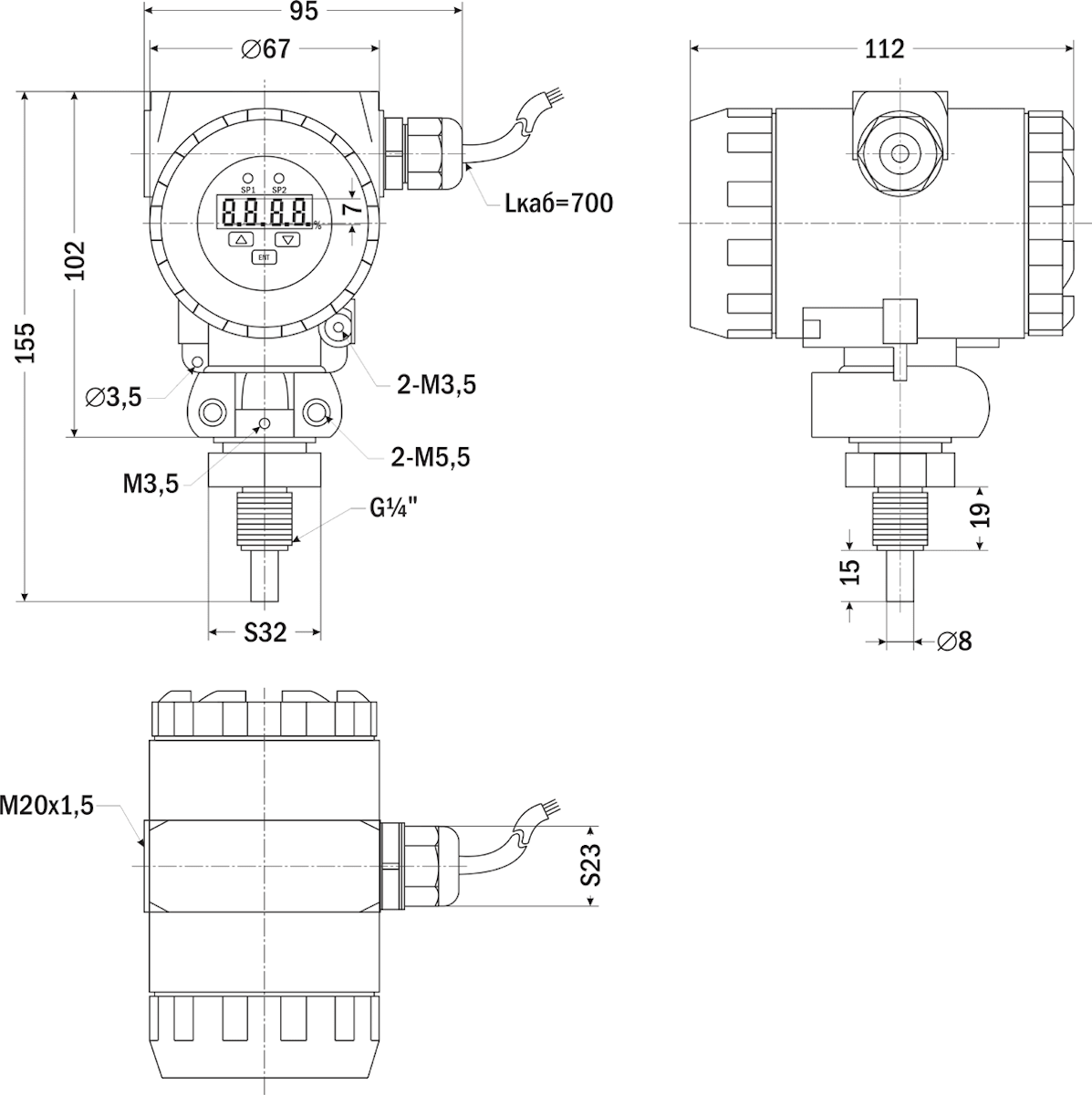
| Длина датчика (L) | 15 мм |
| Диаметр датчика (D) | 8 мм |
| Степень пылевлагозащиты
| IP67
|
| Материал корпуса и датчика | Нержавеющая сталь |
| Длина кабеля
| 0,7 м
погрешность длины кабеля ±3% |
| Габаритные размеры
| 155×95×112 мм
|
| Вес | 843г |
| Габаритные размеры |
![]() |
| Документ | Дата обновления |
| Паспорт на ДР-ПТ-36И | 24.12.2025 |



