ДР-ПБ-62
Доступен для скачивания
краткий каталог продукции:
Датчик-реле потока (реле протока) бескорпусный на основе магнитогерконового датчика ДР-ПБ-62 предназначен для контроля наличия потока воды в вертикально расположенных трубах, управления исполнительными устройствами, защиты оборудования от слабого или отсутствующего потока
Особенности:
- Бескорпусный, состоит из магнитогерконового датчика и поплавка
- Монтаж в любую подходящую вертикально расположенную трубу
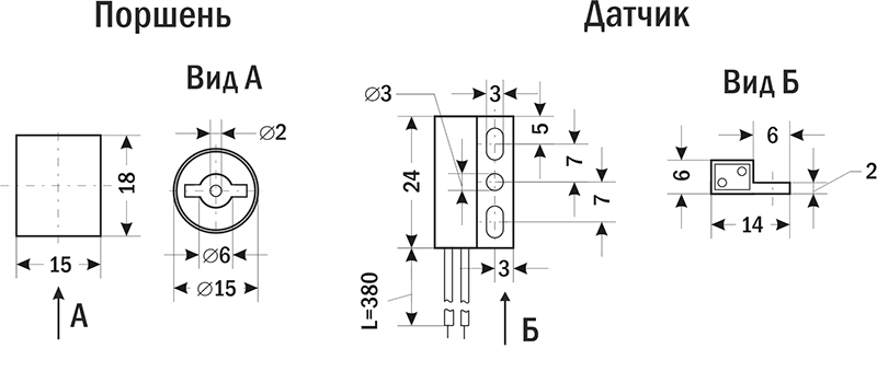
Принцип работы и монтаж:
1. В трубу из немагнитного материала помещается поршень, внутри которого находится магнит.
2. Перемещение поршня внутри трубы должно быть ограничено упорами (например, сеткой) снизу и сверху (см. рисунок).
2. Перемещение поршня внутри трубы должно быть ограничено упорами (например, сеткой) снизу и сверху (см. рисунок).
3. При отсутствии потока поршень лежит на нижнем упоре. При достаточном потоке поршень поднимется до уровня, где снаружи трубы вертикально (проводами вниз или вверх) установлен датчик с герконом.
4. Замыкание контакта происходит, когда середины корпусов поршня и датчика оказываются на одном уровне ± 4 мм. Расстояние срабатывания замеряется между краем корпуса датчика и осью поршня (см. рисунок).
5. Внимание! Диаметр трубы должен быть незначительно больше диаметра поршня.
5. Внимание! Диаметр трубы должен быть незначительно больше диаметра поршня.
Для увеличения коммутационной способности датчика-реле следует использовать промежуточные реле, например, MY, 55-02, 55-04, LY4 c управляющим напряжением =24 В и током потребления не более 300 мА. Также возможно использовать промежуточные реле с управляющим напряжением ~24 В. Для питания катушки промежуточного реле необходимы блоки питания, например, DR, MDR, БП97, БП67.

Технические характеристики:
| Параметр | Значение |
| Рабочая среда | Вода и другие жидкости, неагрессивные к
материалам поршня |
| Температура рабочей среды | 0…+60°С |
| Реле | =0,5 А, 200 В |
| Максимальная коммутируемая мощность | 10 Вт |
| Сопротивление изоляции
| 108 Ом
|
| Ресурс работы
| ≥ 108 циклов
|
| Расстояние срабатывания | ≤ 14 мм |
|
Время переключения
|
0,2 с
|
| Степень пылевлагозащиты датчика
| IP67 |
| Материал датчика
| Полипропилен
|
| Материал поплавка | Латунь, полиацеталь |
| Длина провода | 380 мм |
| Габаритные размеры
- датчика - поршня |
∅15×18 мм |
|
Вес комплекта
| 19 г |
| Габаритный чертеж
|
![]() |
Версия: 2023-04-03-ЛВС
| Документ | Дата обновления |
| Паспорт на ДР-ПБ-62 | 05.04.2023 |
