ДРУ-ПП-74-20
Доступен для скачивания
краткий каталог продукции:
Датчик расхода с импульсным выходом ДРУ-ПП-74-20 предназначен для учета суммарного или текущего расхода воды. Принцип работы датчиков основан на вращении внутри прибора крыльчатки с частотой, прямо пропорциональной интенсивности потока. Датчики расхода генерируют импульсные сигналы, частота которых пропорциональна частоте вращения крыльчатки. Эти датчики рекомендуется применять в комплекте с тахометрами (ВЕХА-Т) или счетчиками импульсов (ВЕХА-С).
Особенности:
- Импульсный выход, тип Push-Pull
- Для корректной работы датчика расхода направление потока жидкости должно совпадать с направлением стрелки на корпусе
- Универсальное монтажное положение: горизонтальное и вертикальное
- Степень пылевлагозащиты: IP67
Технические характеристики:
| Параметр | Значение |
| Рабочая среда
| Вода и другие неагрессивные жидкости
|
| Максимальное давление рабочей среды
| 1,75 МПа
|
| Питание, ток | =4...24 В, 10 мА
|
| Температура рабочей среды |
−10...+115°C
|
| Расход |
2...45 л/мин
|
| Тип выхода | Push-Pull |
| Импульсный выход | 330...416 ± 10% имп./л |
| Формула расчета частоты импульсов* | F = (7Q − 3) ± 10% |
| Степень пылевлагозащиты | IP67 |
| Длина провода | 350 мм |
| Материал | Латунь |
| Монтажное положение | Универсальное |
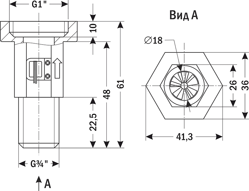
| Присоединение | Наруж. G3/4" → внутр. G1" |
| Габаритные размеры | 61×36×41,3 мм |
| Вес | 174 г |
*F = частота, Гц; Q = расход, л/мин
| Габаритные размеры |
![]() |
Версия: 2025-08-06-СДГ
| Документ | Дата обновления |
| Паспорт на ДРУ-ПП-74-20 | 07.08.2025 |
